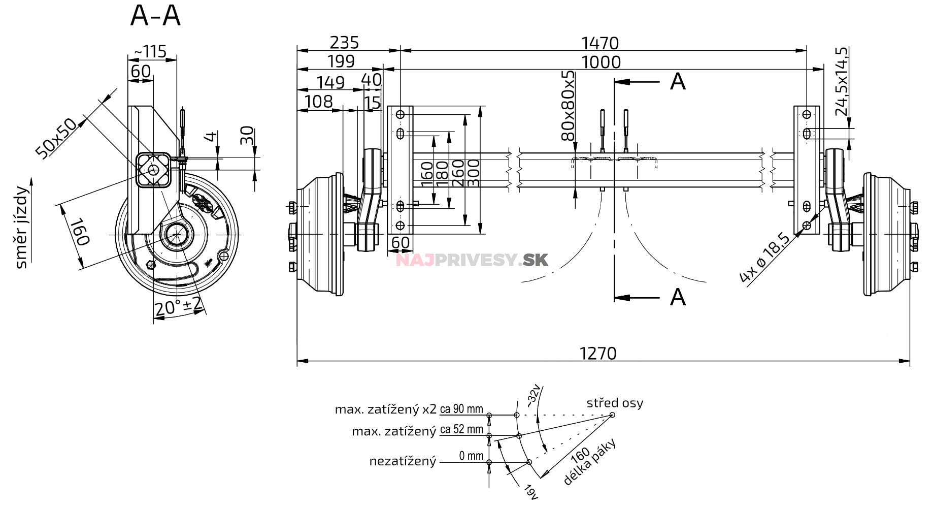
Náprava KNOTT VGB 18 (1800 kg) b=1000 mm, c=1470 mm, 250x40, 112x5

- Popis produktu
- Otázky a odpovede 0
Náprava KNOTT VGB 18 (1800 kg) b=1000 mm, c=1470 mm, 250x40, 112x5Skladom892,00 EUR/ ks725,20 EUR bez DPH
Náprava je dodávaná bez lanovodov a kolesových skrutiek. Vhodné lanovody a kolesové skrutky nájdete nižšie na stránke v ponuke súvisiacich produktov. Kolesové skrutky vyberajte podľa špecifikácie dosadacej plochy skrutky vašich diskov. Pri použití kolesovej skrutky s nevhodnou dosadacou plochou môže dôjsť k uvoľneniu skrutky počas jazdy. Na novú nápravu použite vždy nové kolesové skrutky. Kolesové skrutky nemažte olejom ani iným mazacím tukom.
šírka v montážnych úchytoch (mm) 1000
šírka cez dosadacie plochy bubnov (mm) 1470
hmotnosť (kg) 65
Výrobca KNOTT
brzdená/nebrzdená brzdená
maximálne zaťaženie nápravy (kg) 1800
odpruženie gumené
odolnosť voči vode Štandardná
uhol ramien (°) 20
kolesová jednotka KNOTT typ 25-2025 (250x40)
kolesový úchyt 112x5
povolený zális kolesa (ET / IS) 25-35 mm
príprava pre tlmiče nie
samostavy nie





